Welcome to Shenzhen Teng Huatai Electronics Co., Ltd. official website
中文网站
-
English
R & D, production and sales: Diode, rectifier bridge
three-terminal regulator, MOS, Schottky rectifier, etc
HOME
about us
products
Download
Program
NEWS
FAQ
CONTACT
product
CATEGORIES
AC-DC power supply IC
LED driver IC
Touch control IC
Regulator control IC
Synchronous rectifier IC
diode
Transistor
Rectifier bridge
SOP
MOS
Schottky rectifier
Power IC
huayuansemi
advanced equipment
ERP system management
4
dhcpmingchen
your location
Home
->
Product
->
huayuansemi
->
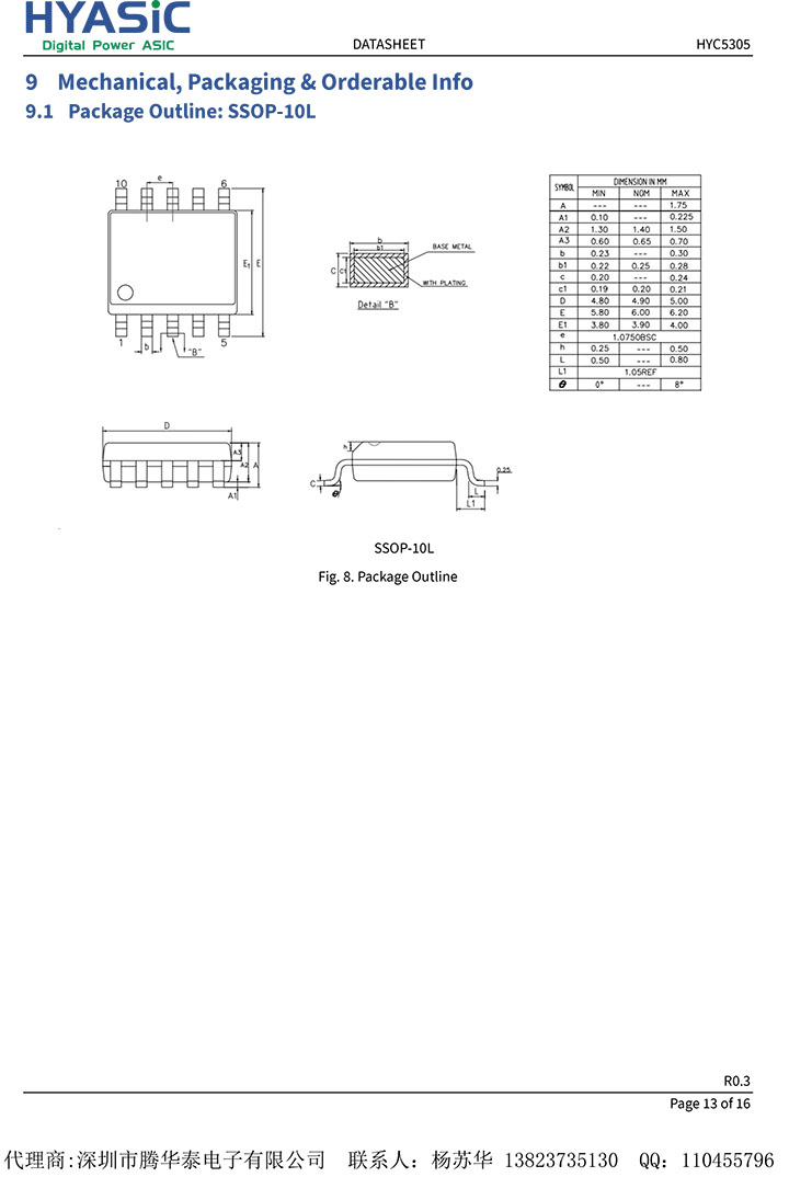
HYC5305
[View original photo]
[BACK]
[Previous page]
[Next page]
规格书点击下载