Welcome to Shenzhen Teng Huatai Electronics Co., Ltd. official website
中文网站
-
English
R & D, production and sales: Diode, rectifier bridge
three-terminal regulator, MOS, Schottky rectifier, etc
HOME
about us
products
Download
Program
Certificate
NEWS
FAQ
CONTACT
product
CATEGORIES
AC-DC power supply IC
LED driver IC
Touch control IC
Regulator control IC
Synchronous rectifier IC
diode
Transistor
Rectifier bridge
SOP
MOS
Schottky rectifier
Power IC
huayuansemi
advanced equipment
ERP system management
4
your location:
Home
->
Product
->
Power IC
Classification view
all categories
AC-DC power supply IC
LED driver IC
Touch control IC
Regulator control IC
Synchronous rectifier IC
diode
Transistor
Rectifier bridge
-->SOP
MOS
Schottky rectifier
Power IC
huayuansemi
Plug-in
Patch
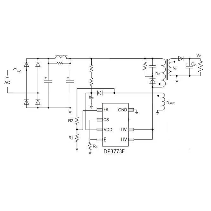
DP3773F
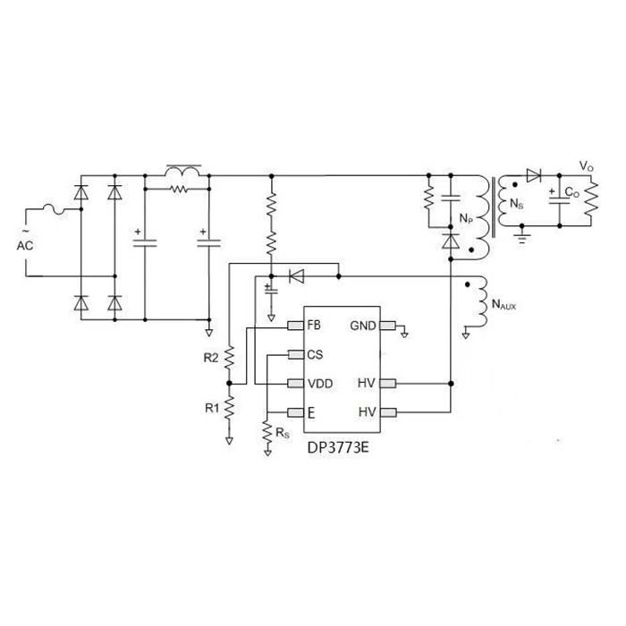
DP3773E
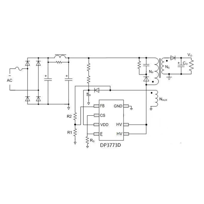
DP3773D
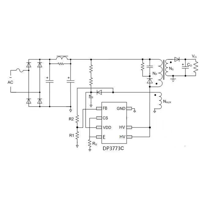
DP3773C
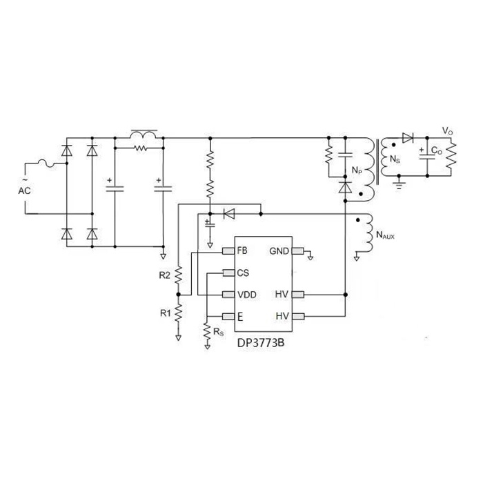
DP3773B
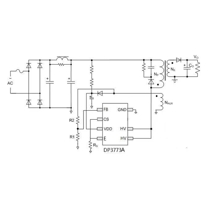
DP3773A
DP3520
Total number54 total pages6 Current page1 First page Previous page
Next page
Last page
Jump
1
2
3
4
5
6