Welcome to Shenzhen Teng Huatai Electronics Co., Ltd. official website
中文网站
-
English
R & D, production and sales: Diode, rectifier bridge
three-terminal regulator, MOS, Schottky rectifier, etc
HOME
about us
products
Download
Program
NEWS
FAQ
CONTACT
product
CATEGORIES
AC-DC power supply IC
LED driver IC
Touch control IC
Regulator control IC
Synchronous rectifier IC
diode
Transistor
Rectifier bridge
SOP
MOS
Schottky rectifier
Power IC
huayuansemi
advanced equipment
ERP system management
4
your location:
Home
->
Product
->
huayuansemi
Classification view
all categories
AC-DC power supply IC
LED driver IC
Touch control IC
Regulator control IC
Synchronous rectifier IC
diode
Transistor
Rectifier bridge
-->SOP
MOS
Schottky rectifier
Power IC
huayuansemi
HY5515
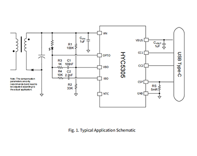
HYC5305
HYC5320
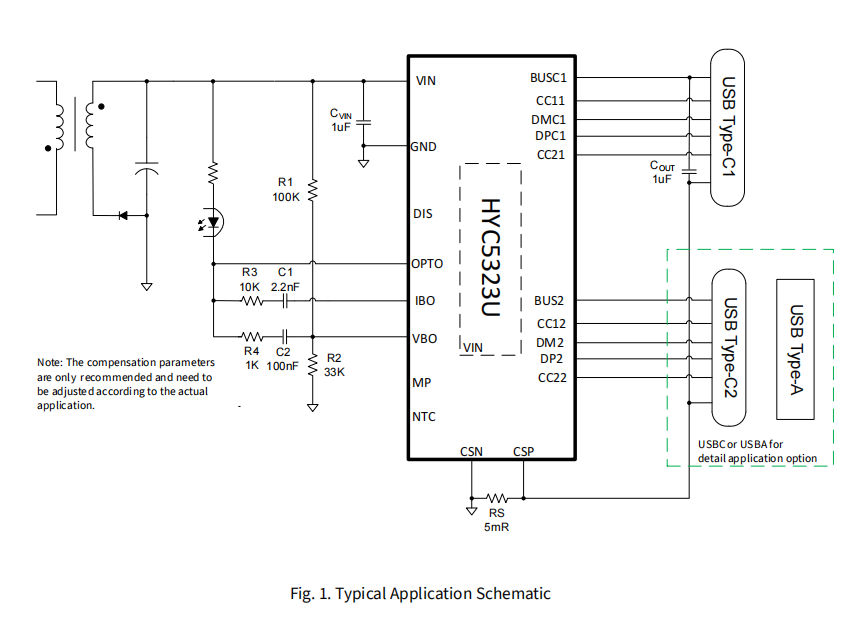
HYC5323U
Total number13 total pages2 Current page2
First page
Previous page
Next page Last page Jump
1
2